ELKO EasyPIR 10A Universal RS PH
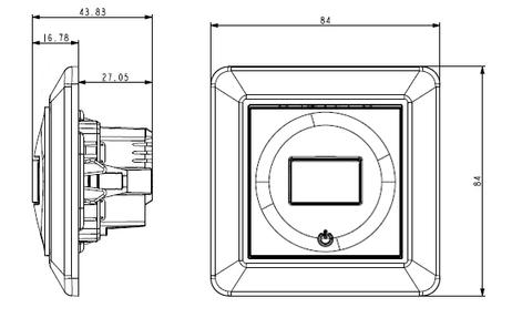
EasyPIR 10A Universal er en elektronisk bevegelsesdetektor for montering i standard veggboks og i alle ELKO kombinasjonsplater. Detektoren har et registeringsområde på hele 160º, og kan settes opp med en master slave løsning.
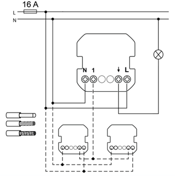
Du kan totalt koble sammen 3 detektorer, en master og to slaver, det gjør det til et genialt produkt til for eksempel gang, korridorer og trappeganger.
Som enkeltstående detektor kan den for eksempel brukes for å styre lys i bad, boder, toaletter og mindre rom der lyset skal tennes ved bevegelse i rommet. Detektoren har innstillinger for lysfølsomhet og gangtid (1 sek ? 30 min) etter siste deteksjon.
EasyPIR er utstyrt med trykkbryter for overstyring av syklus av/på. Detektoren krever tilkobling av begge faser. EasyPIR 10A Universal kan monteres påvegg i kombinasjon med 33mm påveggskappe.
Dersom den skal monteres i en flerhullsramme eller en ELKO OPTION ramme må den medfølgende enkelrammen fjernes.
Monteringshøyde: 1-1.4m. Maks belastning: 2200W ohmsk last, 200W LED.